Техническая документация:
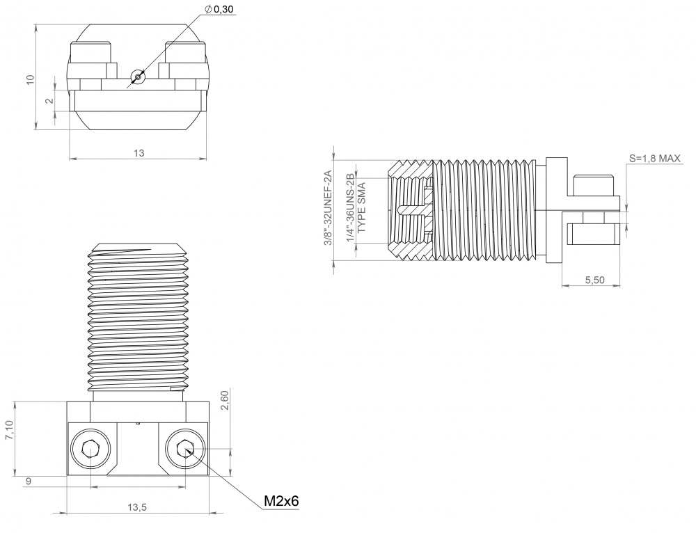
          ВЧ разъём SMA - типа, вилка(папа), под пайку с фиксацией к плате любой толщины, со штатными винтами M2х6 подходит к платам до 1,8 мм.
При использования разъёма на более толстой плате, необходимо заменить винты на более длинные.
В комплекте с разъёмом идёт прижимная планка для него и два винта M2x6 под шестигранник.
| Диапазон частот, ГГц | Возвратные потери (RL), дБ | 
| DC(постоянный ток) - 18 ГГц  | 
 | 
| DC(постоянный ток) - 28 ГГц  | ≧15 | 
Габариты, вес, количество товара в упаковке:
| 
                      Размеры индивидуальной упаковки (длина , ширина , высота ), мм
                     | 
                      0 
																	x
																		 
																		0 
																	x
																		 
																		0
                     | 
| 
                      Масса в индивидуальной упаковке, грамм
                     | 
                      30
                     | 
Разъемы, переходники, аттенюаторы- характеристики:
| 
                      Тип разъема
                     | 
                      SMA
                     | 
| 
                      Тип исполнения
                     | 
                      Прямой
                     | 
| 
                      Тип монтажа
                     | 
                      На плату
                     | 
| 
                      Назначение
                     | 
                      Вилка (папа)
                     | 
| 
                      Волновое сопротивление
                     | 
                      50 Ом
                     | 
 
                      
                      
                     
                      
                      
                     
                      
                      
                     
                      
                      
                     
                      
                      
                     
                      
                      
                     
                      
                      
                     
               
              